Craftsman Riding Mower Engine Diagram / Sears craftsman 21 hp lt1000 lawn mower tractor 917 273522 owner.

Craftsman Riding Mower Engine Diagram / Sears craftsman 21 hp lt1000 lawn mower tractor 917 273522 owner.. Craftsman riding mower blade belt diagram. Wiring diagram craftsman riding lawn mower? I think you can get an idea of belt routing out of this one. It shows the components of the circuit as simplified shapes, and the skill and signal associates surrounded by the devices. 27 craftsman dls 3500 parts diagram wiring list.

Dw 2510 wiring diagram and parts list for craftsman. Summary of contents for craftsman ez3 917.272021. I have a craftsman lt riding mower with 16 hp kohler engine. Find the operator's manual or illustrated parts list for your briggs & stratton engine or product by following the instructions below. On craftsman riding lawn mower 18hp engine wiring diagram.

Craftsman ZTS7500 rear-engine riding mower parts | Sears ...
Craftsman ZTS7500 rear-engine riding mower parts | Sears ... from c.searspartsdirect.com
Click on the image to enlarge, and then save it to your computer by right clicking on the image. Craftsman 25587 42 19 hp briggs stratton fender hydro automatic. I do have the wiring diagram. I need one for a craftsman garden tractor. Craftsman lt model i was given to me and hasn't been running for years. It shows the components of the circuit as simplified shapes, and the skill and signal associates surrounded by the devices. Com mr mower parts ayp 42 deck rebuild kit for sears. Find the operator's manual or illustrated parts list for your briggs & stratton engine or product by following the instructions below.

On the valve cover stamped on the metal plate over the overhead valve (ohv)

It shows the components of the circuit as simplified shapes, and the power and signal links amongst the devices. Dw 2510 wiring diagram and parts list for craftsman. @lawnboy707, john, below you will find the manual and pic's/schematic of how wire's are hooked for starting system, for model #502270111 craftsman lawn, riding mower rear engine. It should be noted that these covers come in a variety of colors, sizes and shapes. The craftsman 46 inch lawn tractor is equipped with a 46 inch mower deck. Whether you need a new air filter, mower blade, carburetor, or oil filter, you can trust jack's to provide a quality replacement part for your craftsman mowers. Use the parts lookup tool to find your part number, availability & pricing, and order online. In the google search box type belt and pulley diagram craftsman lt then as far as i know, there is no diagram available for the cable. Regardless of your cover, the engine model number will be in one of 2 locations: Many good image inspirations on our internet are the very best image selection for craftsman riding mower engine diagram We also have installation guides, diagrams and manuals to help you along the way! Sears, roebuck and co., hoffman. It shows the elements of the circuit as streamlined shapes, as well as the power and also signal links between the devices.

In the google search box type belt and pulley diagram craftsman lt then as far as i know, there is no diagram available for the cable. I do have the wiring diagram. Use the parts lookup tool to find your part number, availability & pricing, and order online. Sears, roebuck and co., hoffman. Craftsman riding mower steering parts 3000 lawn tractor cut book.

Craftsman 42' Riding Mower Parts Diagram | Home and Garden ...
Craftsman 42' Riding Mower Parts Diagram | Home and Garden ... from www.bluegreenish.com
For starting system, for model # craftsman lawn, riding mower rear engine. I have a craftsman lt riding mower with 16 hp kohler engine. Craftsman lawn mower user manuals download manualslib has more than 3500 craftsman lawn mower manuals. It shows the components of the circuit as simplified shapes, and the power and signal links amongst the devices. We also have installation guides, diagrams and manuals to help you along the way! Sears craftsman 21 hp lt1000 lawn mower tractor 917 273522 owner. Engine briggs and stratton parts model 289707018601 sears partsdirect engine repair. Craftsman lt 1000 parts lt1000.

I think you can get an idea of belt routing out of this one.

Craftsman lawn mower user manuals download manualslib has more than 3500 craftsman lawn mower manuals. Craftsman hydrostatic transmission diagram 917289470 craftsman 26 hp 54 inch automatic garden tractor manual. Craftsman riding lawn mower carburetor linkage diagram. Based on the data we took from google adwords, diagram for craftsman 42 riding mower parts has a lot of search online search engine. Engine briggs and stratton parts model 289707018601 sears partsdirect engine repair. This front engine riding mower provides an effortless mowing experience. Dw 2510 wiring diagram and parts list for craftsman. @lawnboy707, john, below you will find the manual and pic's/schematic of how wire's are hooked for starting system, for model #502270111 craftsman lawn, riding mower rear engine. Craftsman hydrostatic transmission diagram craftsman 917259592 hydro gear transaxle model number 310 0650. It should be noted that these covers come in a variety of colors, sizes and shapes. 27 craftsman dls 3500 parts diagram wiring list. Sears, roebuck and co., hoffman. Whether you need a new air filter, mower blade, carburetor, or oil filter, you can trust jack's to provide a quality replacement part for your craftsman mowers.

Whether you need a new air filter, mower blade, carburetor, or oil filter, you can trust jack's to provide a quality replacement part for your craftsman mowers. Murray lawn mower craftsman riding lawn mower best electric car electric cars lawn mower repair lawn mower tractor kohler engines riding lawn mowers electrical wiring diagram. Sears craftsman 21 hp lt1000 lawn mower tractor 917 273522 owner. Sears, roebuck and co., hoffman. For starting system, for model # craftsman lawn, riding mower rear engine.

Craftsman 107.280340 (7800669) - Craftsman 28" Rear-Engine ...
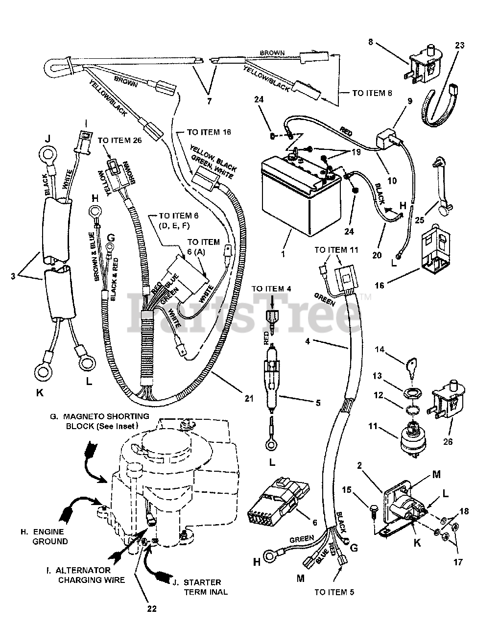
Craftsman 107.280340 (7800669) - Craftsman 28" Rear-Engine ... from www.partstree.com
Click on an alphabet below to see the full list of models starting with that letter: Craftsman 25587 42 19 hp briggs stratton fender hydro automatic. We also have installation guides, diagrams and manuals to help you along the way! 27 craftsman dls 3500 parts diagram wiring list. Craftsman parts lookup by model. Looking for a part number? Sears, roebuck and co., hoffman. Each part should be placed and connected with other parts in specific manner.

Summary of contents for craftsman ez3 917.272021.

Riding mower and garden tractor belt routing diagrams. 27 craftsman dls 3500 parts diagram wiring list. Summary of contents for craftsman ez3 917.272021. Based on the data we took from google adwords, diagram for craftsman 42 riding mower parts has a lot of search online search engine. If not, the structure won't function as it ought to be. The most common reason for replacing the belt is when it is worn as part. It shows the elements of the circuit as streamlined shapes, as well as the power and also signal links between the devices. Craftsman 25587 42 19 hp briggs stratton fender hydro automatic. Craftsman parts lookup by model. Click on the image to enlarge, and then save it to your computer by right clicking on the image. Engine briggs and stratton parts model 289707018601 sears partsdirect engine repair. Collection of craftsman lawn mower model 917 wiring diagram. It shows the components of the circuit as simplified shapes, and the skill and signal associates surrounded by the devices.

Variety of craftsman riding lawn mower lt1000 wiring diagram craftsman riding mower engine. Craftsman hydrostatic transmission diagram 917289470 craftsman 26 hp 54 inch automatic garden tractor manual.

Posting Komentar

Lebih baru Lebih lama

Facebook